Generator Circuit Breakers
Increased Availability, Enhanced Protection and Simplified Operations for Power Plants
GE Vernova's Generator Circuit Breakers (GCBs) are ideally suited for new and refurbished power plants from 50 MW to 1,500 MW and feature advanced technology with spring-spring-operated mechanisms. The comprehensive GCB portfolio provides solutions from generator circuit breakers without enclosure to customized solutions including disconnector, earthing switch, starting switch and instrument transformers.
Key Features:
- GCB ranges FKG1, FKG2 and FKGA
- Spring-spring operated mechanism for utmost reliability
- Optimized, preventive maintenance with monitoring system
- Breaker natural cooling up to 30,000 A and enhanced cooling up to 40,000 A
- 3,000+ GCB installations and 40+ years of expertise
- Optimized digital smart cooling solution optimizing ventilation system in real time
- Digital proxy communication including IEC 61850 and Modbus TCP
Generator Circuit Breakers
Increased Availability, Enhanced Protection and Simplified Operations for Power Plants
GE Vernova's Generator Circuit Breakers (GCBs) are ideally suited for new and refurbished power plants from 50 MW to 1,500 MW and feature advanced technology with spring-spring-operated mechanisms. The comprehensive GCB portfolio provides solutions from generator circuit breakers without enclosure to customized solutions including disconnector, earthing switch, starting switch and instrument transformers.
Key Features:
- GCB ranges FKG1, FKG2 and FKGA
- Spring-spring operated mechanism for utmost reliability
- Optimized, preventive maintenance with monitoring system
- Breaker natural cooling up to 30,000 A and enhanced cooling up to 40,000 A
- 3,000+ GCB installations and 40+ years of expertise
- Optimized digital smart cooling solution optimizing ventilation system in real time
- Digital proxy communication including IEC 61850 and Modbus TCP
Today's Challenging Environment
For most utilities ensuring grid reliability, efficiency, and security is a primary concern. As the grid evolves and load profiles change, stresses are being put onto transmission and distribution networks, making the work of grid management much more challenging. Globally, utilities are facing many grid challenges and market condition changes including:
- Changes in generation mix
- Decrease in conventional generation
- Increase in renewable and distributed generation
- Environmental and regulatory policy changes
Utilities must respond to these challenges and generate energy economically and safely. They face additionally following business challenges:
- Calculable investments costs
- Maximum power plant availability
- Reliable power plant operation
- Long life-time of equipment
GE Vernova's Solution
GE Vernova offers utilities a reliable and robust solution to address the commercial and operational requirements with a comprehensive range of Generator Circuit Breakers (GCB) with advanced technology and 40+ years of deep domain expertise. GE Vernova is a world leader for GCB with 3,000+ installed breakers worldwide in applications including hydro, pump-storage, gas and steam turbines, combined cycle, nuclear and geothermal power plants from 50 MW to 1,500 MW.
Key Benefits
Power plant owners must generate energy economically and safely with the highest availability of their equipment. Most operational managers recognize the need for reliable and robust generator circuit breakers. The modular diagram - which uses a generator circuit breaker compared to the block type diagram solution - has several advantages, which are summarized as following:
![]() | Increased power plant operational availability | ![]() | Easier operation particularly regarding the transfer of auxiliaries | ![]() | Improved safety in faults management | ||
![]() | Increased protection especially for the power transformer | ![]() | More flexibility and potential combinations | ![]() | Substantial cost advantages |
Components
The design of the generator circuit breakers is compliant with IEC/IEEE 62271-37-013 standard and other relevant international standards. The following components are commonly used in the GCB range with proven robustness and reliability.
Circuit Breaker Monitoring Solution CBWatch3
CBWatch3 is a universal and compact device suitable for any kind of HV circuit breaker.
- Compact and modular solution adaptable to any circuit breaker type
- Delivers reduced and optimized operating maintenance costs
- Enables health/condition based asset replacement strategy
- Help reduce costly SF6 gas losses into the environment
- Seamless integration into digital control systems and easy web server interface
- GE Vernova as single vendor to monitor all key substation assets
GCB Portfolio
Equipment for Power Plants from 50 to 200 MW
FKG2S without enclosure
Generator circuit breaker for power plants from 50 to 150 MW
FKG2S
Generator circuit breaker for power plants from 50 to 150 MW
FKG2M
Generator circuit breaker for power plants from 100 to 200 MW
Equipment for Power Plants from 150 to 450 MW
FKG1N without enclosure
Generator circuit breaker for power plants from 150 to 300 MW
FKG1N
Generator circuit breaker for power plants from 200 to 300 MW
FKG1F
Generator circuit breaker for power plants from 300 to 450 MW
FKGA2
Generator circuit breaker for power plants from 200 to 450 MW
Equipment for Power Plants from 450 to 1,000 MW
FKG1X
Generator circuit breaker for power plants from 450 to 600 MW
FKG1XV
Generator circuit breaker for power plants from 750 to 900 MW
FKG1XP
Generator circuit breaker for power plants from 600 to 750 MW
FKG1XW
Generator circuit breaker for power plants from 900 to 1000 MW
Equipment for Power Plants from 700 to 1,500 MW
FKGA8
Generator circuit breaker for power plants from 700 to 1,500 MW
Pump Storage Solution
Modular Arrangement and Switching Devices for Pump Storage Operation and Protection
GE Vernova's solution for Pumped Storage Power Plant (PSPP) offers an integrated package of protection schemes, including generator circuit breaker, phase reverse disconnector, braking, starting and back-to-back switches.
Braking Switch
Braking switch is designed to perform an electromagnetic braking of the generator by carrying out a circuit of the 3 phases, allowing to reduce the time of shutdown before being able to reverse the operation cycle.
Generator Circuit Breaker (GCB)
The use of GCB increases the overall availability of the power plant. It also insures safe, reliable, economical operation and protection of the power plant.
Starting Disconnector Switch (SDS) on generator side and Back-to-Back Switch on transformer side
Starting Disconnector and Back-to-Back switches are the mechanical isolation devices located on the generator and transformer sides of the GCB. These switches ensure busbars connection between units and allow starting in pumping mode for Pumped Storage Power Plant. SDS alone or combined SDS with back-to-back solution are available according to power plant layout.
Phase Reverse Disconnector Switch (PRDS)
Phase Reverse Disconnector Switch provides 3 phases closing in pumping or generation mode, it also makes breaking capability for active parts to ensure the safety and electrical insulation of the open device.
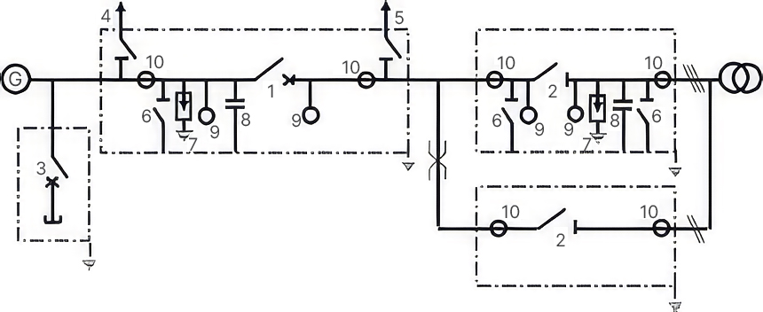
Single-Line-Diagram and Components
|
|

Example: Pump Storage Solution with Phase Reverse Disconnector Switch (PRDS) with 5 Phases in line
Service & Retrofit
Based on manufacturing expertise and time-proven field experience, GE Vernova offers cost-effective and efficient solutions to help increase the life span of your generator circuit breakers and drastically reduce the risks of failure. Benefiting from GE Vernova’s innovative technical services will keep your equipment up-to-date, safe, reliable and efficient all along its lifecycle. From onsite assessment, periodic maintenance and mid-life overhaul to complete retrofit and emergency solutions, GE Vernova provides customized solutions for your generator circuit breaker according to its type, age, operating conditions and ratings.
Maintenance & Repair
- Preventive maintenance (every year, 5, 10 and 20 years)
- Condition based maintenance based on operations numbers and cumulative current broken by the GCB or earthing switch
- Trouble shooting repair
- Long Term Service Agreement
Strategic Spare Parts Management
- Emergency management with strategic stock including poles, complete active parts, disconnecting switches, coils, motors and protection sets
- Spare parts kits for maintenance and repair
- Critical spare parts rotation programs
Emergency Support
- Guaranteed response time by a certified expert
- 24/7 on-line technical support
Modernization and Retrofit
Solving Obsolescence of Equipment and Saving Maintenance Cost
- Perform on-site assessment prior recommendation
- Develop engineered solutions to minimize power plant downtime
- Implement latest technology solution on GE Vernova and 3rd party OEM brownfield assets
- Optimize site modification and intervention duration
- Guarantee full turnkey solution and engineering capabilities
- Benefit from decades of retrofit projects know how
Renovation and Overhaul
Expanding the Life of Aging Equipment
- Customized recommendations based on high voltage expert site survey
- Conduct the overhauling of the generator circuit breaker
- Change specified parts based on real condition





